
А давайте поговорим о таких интересных устройствах, как датчики обнаружения лазерного излучения, особенно на танках и другой бронетехнике! Они, безусловно, являются настоящими помощниками в боевых условиях. Эти устройства уведомляют экипаж о том, что их машину «подсвечивает» лазерным дальномером, например, со стороны противника — будь то танковая пушка или целеуказатель для ракет. Что это значит? Да то, что у экипажа появляется шанс предпринять какие-то действия, например, запустить аэрозольную завесу или попытаться обнаружить врага. В итоге, такие приборы могут спасти жизнь и помочь уничтожить противника.
Это касается, конечно, современных технологий. Но были у нас и исторические примеры, когда такие детекторы тоже были на вооружении.
Представьте себе: в те времена, когда тепловизоры только начинали набирать популярность для ведения боевых действий в ночное время, существовало лишь одно решение — инфракрасные прицелы и приборы наблюдения. Эти устройства превращали невидимый инфракрасный свет в изображение, которое можно было видеть на специальном экране. Но не все из них могли эффективно работать без активной подсветки.
Самые характерные черты танков середины XX века заключались в наличии ИК-прожекторов, которые разрывали ночную тьму и подсвечивали цели на большие расстояния.
И вот тут на сцену выходит один из интересных детекторов, который британцы продемонстрировали на своих танках «Чифтен». Вся магия заключается в детекторе с индексом RI-1. Неподозреваемый танк Мк.5Р оказался в руках советских исследователей во время Ирано-Иракской войны. Этот прибор состоял из трех основных компонентов:

Гибкая штанга монтировалась позади командирской башенки танка. Если детектор не использовался (например, днем), штанга убиралась в специальное гнездо. На штанге разместили три фотоприемника на кремниевых фотодиодах, которые охватывали 360 градусов.
Индикаторный блок устанавливался на рабочем месте заряжающего, а блок обработки сигналов монтировался на месте командира танка. Это позволяло экипажу выделять «горячие» потоки инфракрасного света.

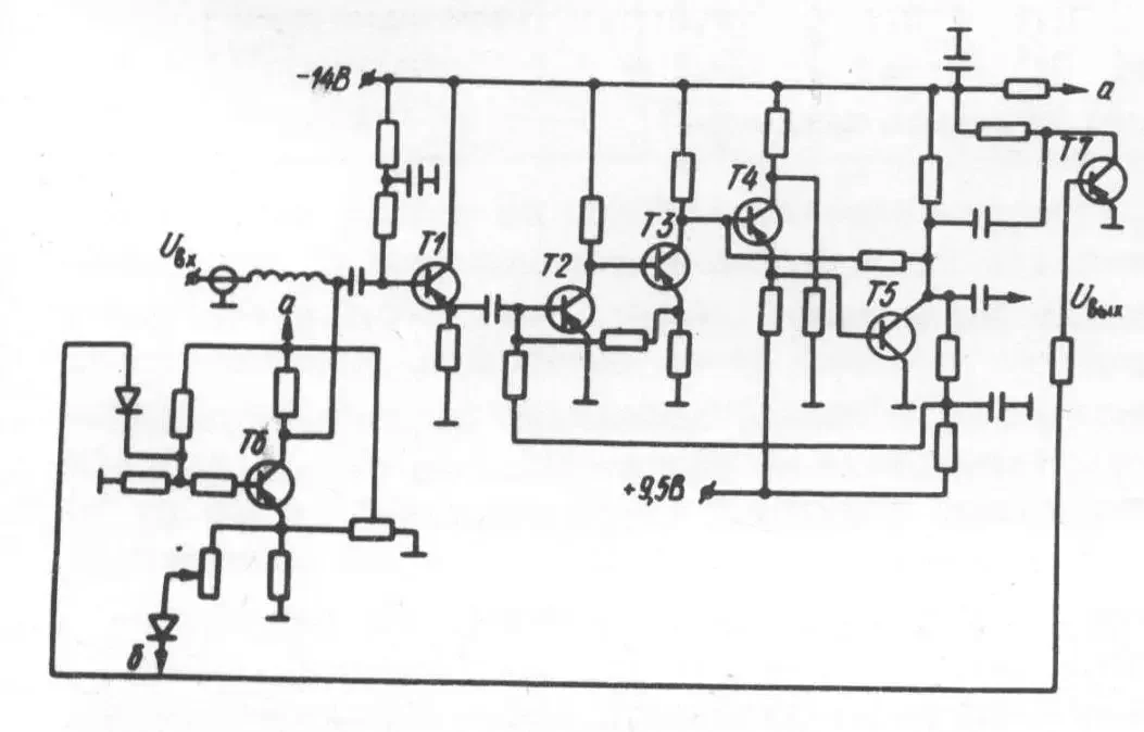
Давайте погрузимся чуть глубже в технические детали работы этого изобретения. Основа RI-1 — это низкочастотный усилитель, работающий на транзисторах, который способен подавать сигналы с определенной частотой. Чувствительность устройства при длине волны 0,91 мкм достигает 1 мВт, что делает его весьма полезным в боевых условиях.
Детектор способен определять инфракрасное излучение как от импульсных источников, так и от непрерывно работающих, до расстояния 2 километров. Это означает, что на нем можно было выявлять противника и, при необходимости, предпринимать меры к маскировке или маневрированию.
Конечно, нельзя утверждать, что этот детектор был идеальным решением. Он требовал, чтобы член экипажа отвлекался от своих задач для мониторинга показаний — что добавляло нагрузки. Сравнивая с современными системами автоматизации, RI-1 выглядел довольно примитивно, но, тем не менее, давал определенное преимущество, позволяя определить перспективные направления для ведения боя.
Таким образом, этот прибор стал своеобразным предшественником советской системы «Штора». Интересно, что детектор RI-1 был, по существу, единственным такого типа, который использовался в реальных боевых условиях, и это могло бы служить основой для будущих разработок.
---
Как видите, даже в столь сложной области, как танковая техника, устройства могут удивлять своей изобретательностью и упрощать задачи. Кто знает, какие еще интересные разработки ждут своего часа в будущем?
Комментарии 0